목차
1. EIGRP
1-1 EIGRP 란
1-2 Metric
1-3 EIGRP 설정
+ (02-11 추가)
1-4 EIGRP - DUAL
2. 비밀키 암호
2-1 비밀키 암호의 원리
2-2 DES (Data Encryption Standard)
1. EIGRP
1-1 EIGRP 란
EIGRP (Enhanced Interior Gateway Protocol)
- 빠른 컨버전스를 지원한다: 사용하던 인터넷이 죽었을 시 우회 경로를 찾는 시간이 빠르다
- Metric factor : Bandwidth, Delay를 이용한다. Reliability(신뢰도), Load(부하), MTU(MaxiumTransmission Unit)의 요소가 있으나 코스트 계산 시 결국 Bandwidth, Delay 두 개만 사용한다.
- Bandwidth : 10,000,000 / (Dst로 가는 대역폭 중 가장 낮은 대역폭) 의 값이다.
(가장 느린 경로: 크리티컬 패스)
- Delay : (Dst까지의 모든 delay의 합) / 10 의 값이다.
- 라우팅 정보 전달에 Mulcast(224.0.0.10)를 이용한다.
Neighbor
: 주기적으로 라우팅 테이블을 전송한다.
- 맨 처음 네이버를 맺을 때 모든 라우팅 정보를 교환하고 이후로는 변경된 정보만 교환한다.
- 정상적인 경우 hello 패킷만 교환한다.
- 패킷 종류: hello, update, query, replay, ACK
1-2 Metric
MEtric은 EIGRP가 목적지까지 비용을 계산한 것이다.
- IGRP 메트릭과 동일한 개념이나, 더 세부적인 표현을 위해 IGRP 메트릭에 256을 곱해 표현한다.
● K 상수
: K상수는 EIGRP 방정식의 상수로 각 메트릭 요소에 대한 비중에 차등을 주어 적용하기 위해 사용한다.
: K 상수는 K1 ~ K5 까지 있으며, 기본 값은 다음과 같다.
- K1 = K3 = 1
- K2 = K4 = K5 = 0
EIGRP의 메트릭의 방정식은 (K1 * BW + (K2 * BW) / (256 ‐ load) + K3 * delay) * 256 * (K5 / (Reli + K4)) 에서 위의 K 상수 기본 값을 대입하여 실질적인 식은 다음과 같다.
EIGRP Metric = (K1 * BW + K3 * delay) * 256
BW는 목적지까지의 경로에서 가장 낮은 대역을 사용한다.
- BW = (10^7 / bandwidth) * 256
- bandwidth: kbps
Delay는 경로까지의 모든 지연을 합한 값이다.
- Delay = (sum(delay) / 10) * 256
- delay: micro-second (usec) (백만분의 1초)

위와 같은 경우 EIGRP Metric 값은 BW + Delay = 10,512,000 이다.
1-3 EIGRP 설정
● EIGRP AS 설정
router eigrp [AS#]
ex) router eigrp100
AS넘버는 큰 의미는 없다.
● 각 인터페이스 네트워크 등록
network [네트워크주소] [와일드마스크]
ex) network 192.168.10.0 0.0.0.255
ex) network 192.168.10.1 0.0.0.0
● 패시브 인터페이스 설정
passive‐interface [인터페이스]
ex) passive‐interface g0/0

● EIGRP 확인
show ip protocols, show ip eigrp neighbor, show ip eigrp topology 등의 명령어로 설정 상태를 확인할 수 있다.

1-4 EIGRP - DUAL
EIGRP 프로토콜은 Metirc이 같지 않더라도 feasible successor를 이용해 동시에 서로 다른 경로를 운영해 트래픽을 분산시킬 수 있다.

successor
: 로컬에서 dst로 보낼 때 통하는 next-hop 라우터를 successor로 지정한다.
feasible successor
: RD metric 값이 FD의 총 metric보다 작으나 그 라인의 총 metric 값은 FD의 총 metric보다 큰 경로의 next-hop 라우터를 feasible successor 로 설정하고, 해당 경로로 FD 경로와 동시에 통신한다.
FD
: 로컬에서 dst로 가는 최적 경로이다.
RD
: 직접 연결된 라우터 너머의 경로들 (점선 경로)이다.
: 점선 경로는 로컬 라우터 입장에서 경로가 어떻게 되든 알 필요가 없다는 표현이다.
※ LOCAL 라우터
local이 붙으면 내가 사용하는 라우터라는 뜻이다. 혹은 '나와 가장 가까운' 으로 해석할 수도 있다.
● EIGRP‐DUAL 작동 과정
1.네이버(neighbor)로부터 받은 각각의 경로를 확인한다.
2. successor / feasible successor 경로를 결정한다.
3. successor에 문제가 생기면 feasible successor를 이용한다.
4. feasible seccessor가 없으면 새로운 successor를 찾는다.
2. 비밀키 암호
2-1 비밀키 암호의 원리
● 대칭키 방식 특징
암호 알고리즘의 비도는 키의 비밀성에 의존한다.
관용 암호, 대칭키 암호, 공유키 암호 등으로 불린다.
● 대칭키 암호의 종류
DES, SKIPJACK, IDEA, AES, SEAL, RC4 등이 있다.
● 국내 암호 알고리즘
SEED : 128bit 블록 암호 알고리즘
- RFC4269
HIGHT : 64bit 블록 암호 알고리즘
LEA : 128bit 블록 암호 알고리즘(Key : 128, 192, 256)
● 장점
만들기 쉬워 다양한 알고리즘의 개발이 용이하다.
알고리즘의 수행속도가 빠르다.
● 단점
키 관리 및 키 분배의 어려움이 있다. 키의 분배를 위해서는 상면이 필요하다.
부인 방지가 불가능하다. (근원지 증명이 되지 않는다.)
통신 인원이 늘어날수록 키의 갯수도 계속 늘어난다.
※ Feistel 암호
현재 컴퓨터에서 하는 모든 암호화 시스템은 블록 암호화 기법이다. Feistel 암호는 그 대표적인 기법이다.

F: 라운드 함수
K: 키
한 블록에 16비트라면 왼쪽 오른쪽 각각 8비트씩으로 나눠 계산한다.
- 별도의 복호화 과정이 불필요하다.
- 블록 암호의 대표적인 구조이다.
- 라운드 함수와 무관하게 복호화가 된다.
- 구조적인 취약점이 발견되지 않았다.
- 취약한 라운드 함수를 반복적으로(짝수번) 사용함으로 강한 암호를 설계한다.
- 암호화와 복호화가 동일하다. (복호화는 암호화의 역순이다.)
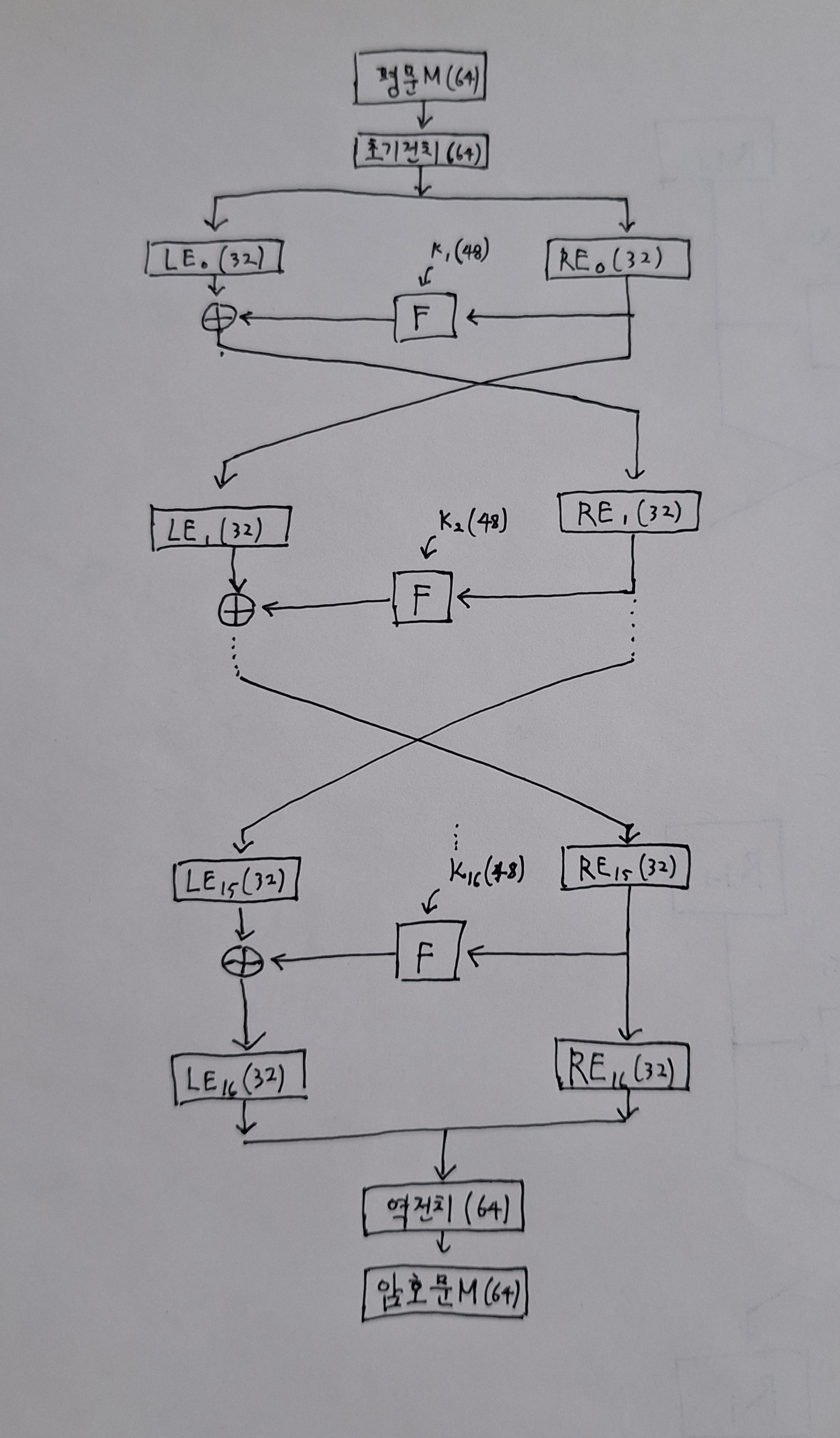
2-2 DES (Data Encryption Standard)
DES는 IBM에서 Lucifer System을 개선하여 만든 알고리즘으로, 1977년 미 상무성의 국립 표준국(NBS)에서 표준 암호 알고리즘으로 채택했다. 특징은 다음과 같다.
- 암호화키(Encryption key) = 복호화키(Decryption key) 이다.
- 64비트 블록 암호 알고리즘으로, 입력 메시지를 64비트씩 나누어 처리한다.
- 키에서 64비트 중 8비트(8번째, 16번째, 24번째, ...)는 parity check로 사용하여 실제로 키는 56비트이다.
- 기본적인 구조로 round 수는 16 round이며, 복호화는 암호화의 역순이다.

● 초기 전치
초기 전치 방법은 원문의 비트수에 맞게 출력비트 위치와 입력비트 위치를 나타내는 숫자표를 만들고, 입력 비트 위치에 해당하는 값을 대입하여 암호문을 생성한다.
이를 이용하여 다음과 같이 예를 만들 수 있다.

'일일 정리' 카테고리의 다른 글
| 공개키 암호 (암호 시스템, 응용, 종류, 조건, 분석, RSA) (0) | 2025.02.12 |
|---|---|
| 재분배 (Redistribution), DES(F 함수, KEY, 작동 모드, 3중 DES) (0) | 2025.02.11 |
| OSPF - default route 설정, 고전 암호, PHP 반복문 for (2) | 2025.02.07 |
| OSPF, OSPF 설정, 암호 기술 (1) | 2025.02.06 |
| 동적 라우팅 - RIP, 암호의 개념과 고전 암호 (0) | 2025.02.05 |